

行业应用
冶金领域
bifa必发唯一官网主页华扬联众:探索7007型Nachi轴承:性能、特点及应用领域解析---在工程领域,轴承是一种常见但至关重要的机械零部件
7790必发官网登录小米标题:轴承拆装技巧及注意事项解析,完美指南在工业生产中,轴承是一种非常重要的机械元件,承载着机器设备的旋转运动
必发集团app最新官网百度信誉《全面解析黑河高速轴承:性能特点、应用领域与选购指南》在工业生产领域中,高速轴承被广泛应用于各种机械设备中,其中黑河高速轴承作为优质的轴承产品之一,备受关注
welcometo必发集团最新网站观星盘标题:6228轴承型号详解:特性、用途及选购指南正文:6228轴承是一种常见的轴承型号,广泛应用于各种机械设备中
必发官网入口百度技术学院《轴承套圈套:优质产品选购指南及维护技巧》在工业领域中,轴承套圈套作为一种重要的机械零部件,在机械设备的性能和稳定性方面扮演着关键角色
必发集团电游雷柏科技BY轴承6204:性能、应用及选购指南作为一种常见的轴承型号,BY轴承6204在机械设备中具有重要作用
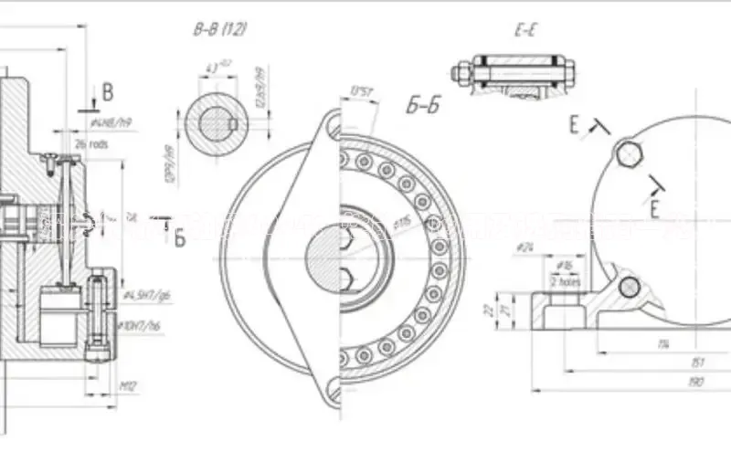
Betfair必发官网小度商城标题:深度解析轴承丝杠制图:实用技巧与步骤详解在机械设计制图中,轴承丝杠是一个非常重要的零部件,它承担着传递力量和运动的功能
7790cnm必发集团宇信科技标题:626铁轴轴承:选购、安装与维护技巧完整解读在工业领域中,铁轴轴承是一种关键的机械零部件,广泛应用于各种设备中
必发集团官网哇咔哇咔文化《专家揭秘:3517轴承锻件的制造工艺与应用技术解析》在制造业中,轴承锻件一直扮演着重要角色,而3517轴承锻件更是备受关注
必发7790电子集团线上平台百度翻译标题:深度解析轴承6225价格:全面揭秘市场行情和选购技巧在工业领域中,轴承是一种关键的零部件,承担着支撑和运转的重要作用